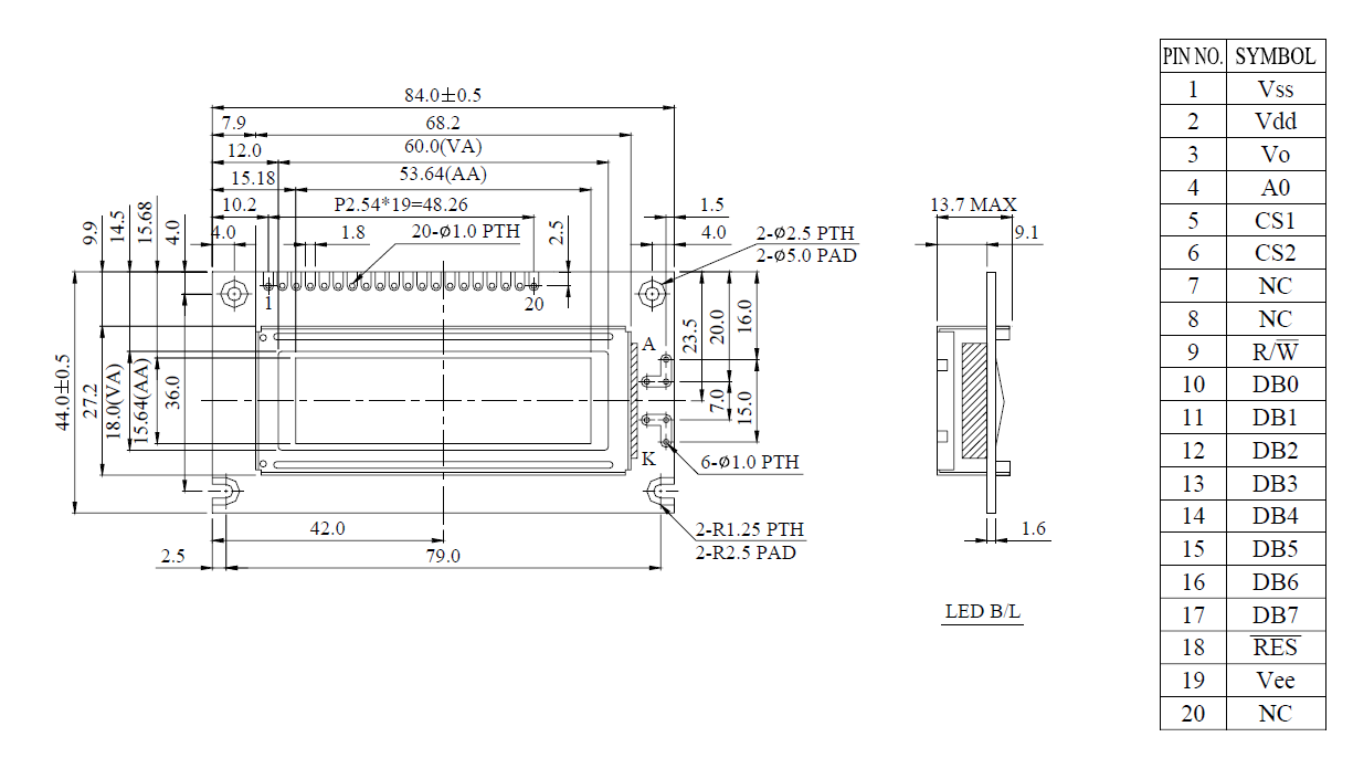
Description
| Module Type | COB – Chip on Board |
|---|---|
| LCD Type | FSTN Positive |
| Polarizer Type | transflective |
| Interface | parallel 8-bit |
| Controller | SBN1661G |
| Active Area | 53.64×15.64 |
| Outline Dimensions | 84.0×44.0x13.7 |
| Operating temp. (°C) | -20~70 |
| Storage temp. (°C) | -30~80 |
| Special | inbuilt voltage generator |
| Producer | Winstar |
Graphic LCD display module, COB type (Chip On Board) WG12232A-TFH-V#A from Winstar Co. with 122×32 resolution, white background color and black content. LCD matrix is a positive FSTN with transflective polarizer. The display allows the use of 8-bit interface. The module has SBN1661G controller, inbuilt voltage generator.





